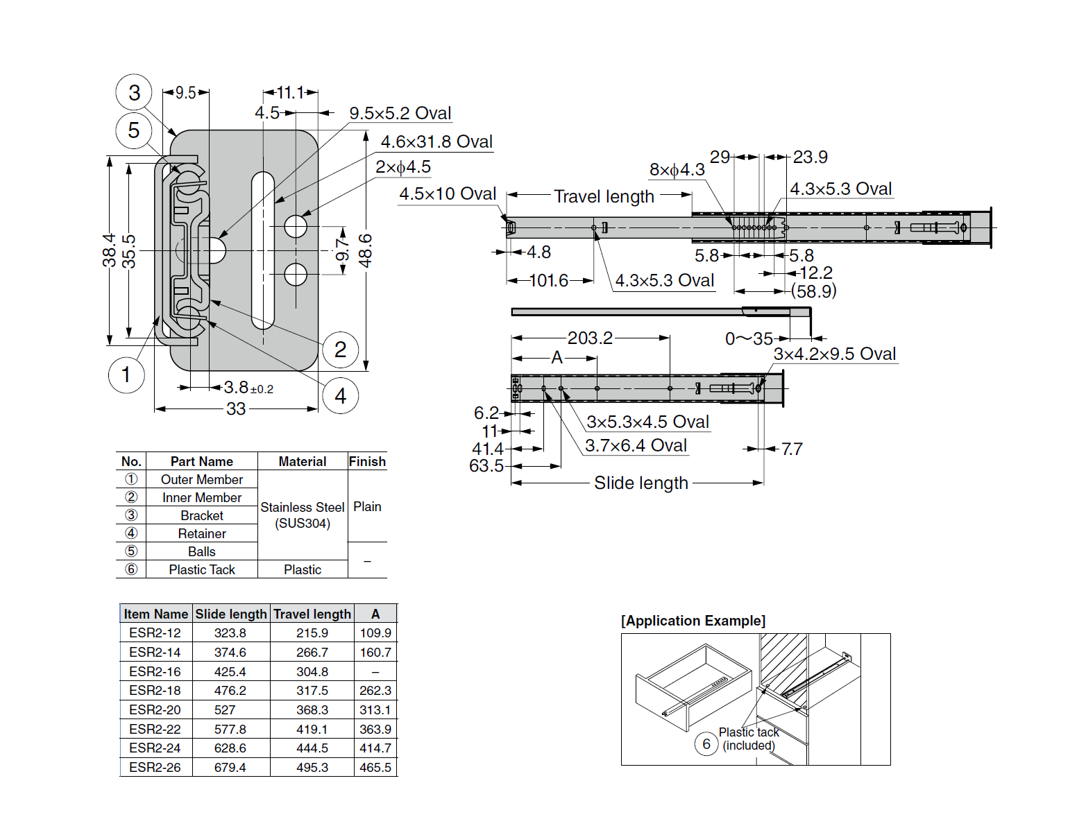
Drawer Slide, stainless steel, extension lenght =444,5 mm and load capacity of 5,5 kg

MT109778
Drawer Slide in stainless steel and partial extension type with an extension length of 444,5mm. The load capacity is 5,5kg/pair. Installed on the bottom of the drawer. The drawer can be stopped at any position by the resistance of the ball retainer. We ca
Detachable
Yes
Material type
Stainless steel
Type
Partial extension
Load capacity in kg
5.5
Height in mm
48.6
Length in mm
628.6
Extension length in mm
444.5
Long description
Drawer Slide in stainless steel and partial extension type with an extension length of 444,5mm. The load capacity is 5,5kg/pair. Installed on the bottom of the drawer. The drawer can be stopped at any position by the resistance of the ball retainer. We ca

Product data

or create an account to view prices, download datasheets and CAD files *

Create account

*not available on all products