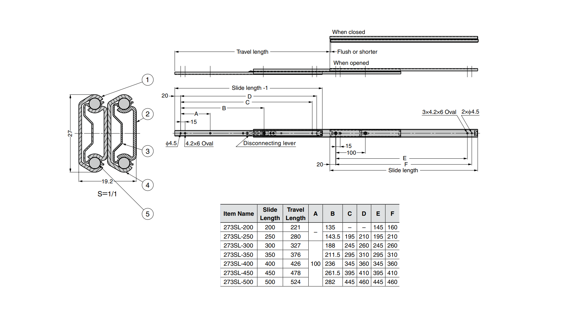
Drawer Slide, stainless steel, extension lenght =221 mm and load capacity of 18 kg

MT105293
Drawer Slide in stainless steel and total extension type with an extension length of 221mm. The load capacity is 18kg/pair. W/o friction lock. RoHS 2 approved. We can deliver a wide range of products on request. Please contact us for more information.
Detachable
Yes
Material type
Stainless steel
Type
Total extension
Load capacity in kg
18
Height in mm
27
Length in mm
200
Extension length in mm
221
Long description
Drawer Slide in stainless steel and total extension type with an extension length of 221mm. The load capacity is 18kg/pair. W/o friction lock. RoHS 2 approved. We can deliver a wide range of products on request. Please contact us for more information.

Product data

or create an account to view prices, download datasheets and CAD files *

Create account

*not available on all products