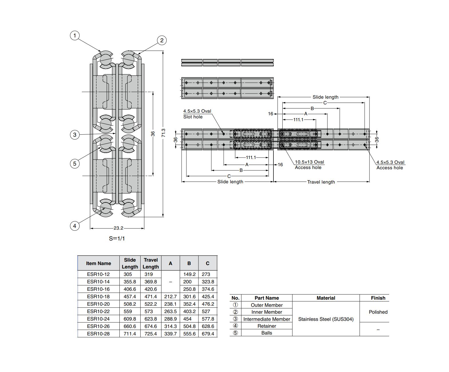
Drawer Slide, stainless steel, extension lenght =319 mm and load capacity of 272 kg

MT109747
Drawer Slide in stainless steel and total extension type with an extension length of 319mm. The load capacity is 272kg/pair. W/o friction lock. RoHS 2 approved. We can deliver a wide range of products on request. Please contact us for more information.
Detachable
No
Material type
Stainless steel
Surface finish
Polished
Type
Total extension
Load capacity in kg
272
Height in mm
71.3
Length in mm
305
Extension length in mm
319
Long description
Drawer Slide in stainless steel and total extension type with an extension length of 319mm. The load capacity is 272kg/pair. W/o friction lock. RoHS 2 approved. We can deliver a wide range of products on request. Please contact us for more information.

Product data

or create an account to view prices, download datasheets and CAD files *

Create account

*not available on all products