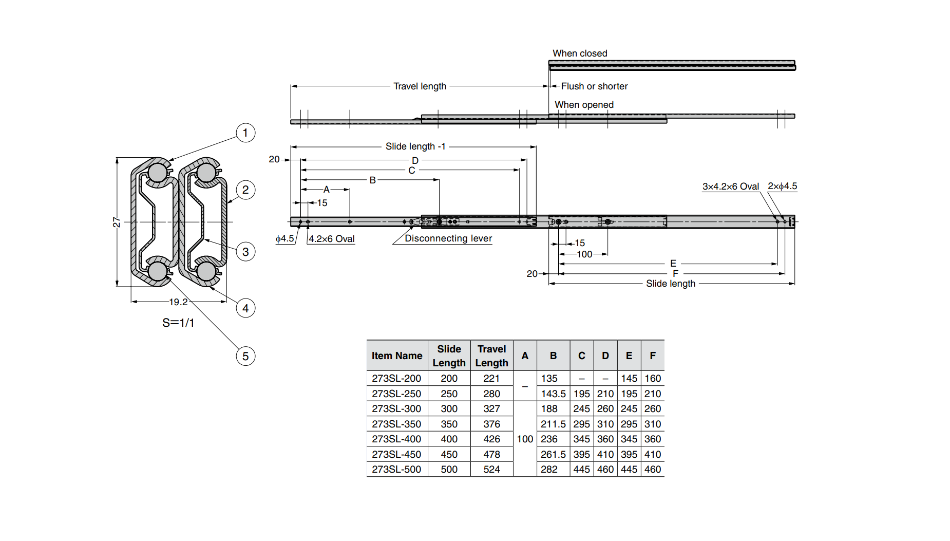
Drawer Slide, stainless steel, extension lenght =426 mm and load capacity of 14 kg

MT105297
Drawer Slide in stainless steel and total extension type with an extension length of 426mm. The load capacity is 14kg/pair. W/o friction lock. RoHS 2 approved. We can deliver a wide range of products on request. Please contact us for more information.
Detachable
Yes
Material type
Stainless steel
Type
Total extension
Load capacity in kg
14
Height in mm
27
Length in mm
400
Extension length in mm
426
Long description
Drawer Slide in stainless steel and total extension type with an extension length of 426mm. The load capacity is 14kg/pair. W/o friction lock. RoHS 2 approved. We can deliver a wide range of products on request. Please contact us for more information.

Product data

or create an account to view prices, download datasheets and CAD files *

Create account

*not available on all products