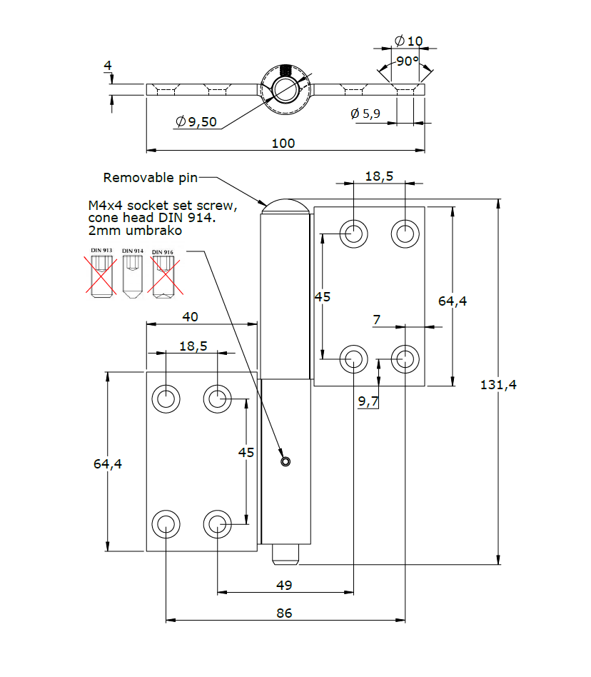
Butt hinge w/holes, steel, L=131,4, B=100, T=4

MT100037
Butt hinge w/holes manufactured in steel and designed with a pindiameter on 9,5 mm. Special products can be delivered on request, if the products in the standard range do not meet the requirements.
Pin type
Loose
Hole type
Countersunk
Material type
Steel
Surface finish
Untreated
Type
With holes
Pin diameter in mm
9.5
Hole diameter in mm
5.9
Height in mm
17.5
Length in mm
131.4
Thickness in mm
4
Long description
Butt hinge w/holes manufactured in steel and designed with a pindiameter on 9,5 mm. Special products can be delivered on request, if the products in the standard range do not meet the requirements.

Product data

or create an account to view prices, download datasheets and CAD files *

Create account

*not available on all products