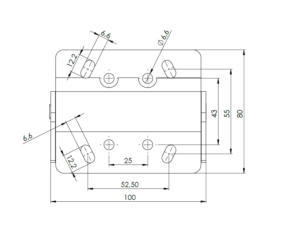
Hinge with damping, acid proof stainless steel, top mounting, torque=15, L=100, B=80

MT113167
Hinge with damping manufactured in acid proof stainless steel with a pin in acid proof stainless steel. The torque is 15 Nm/pc and the opening angel is 120 degrees. Special products can be delivered on request, if the standard range does not fit the requirements.
Pin material
Acid proof Stainless Steel
Material type
Acid proof Stainless Steel
Mounting type
Top mounting
Drejningsmoment i N.m
15
Height in mm
27
Length i mm
100
Opening angle
120
Long description
Hinge with damping manufactured in acid proof stainless steel with a pin in acid proof stainless steel. The torque is 15 Nm/pc and the opening angel is 120 degrees. Special products can be delivered on request, if the standard range does not fit the requirements.

Product data

or create an account to view prices, download datasheets and CAD files *

Create account

*not available on all products