Hinge with damping, pbt plastic, top mounting, torque=7, L=75, B=60

MT110072
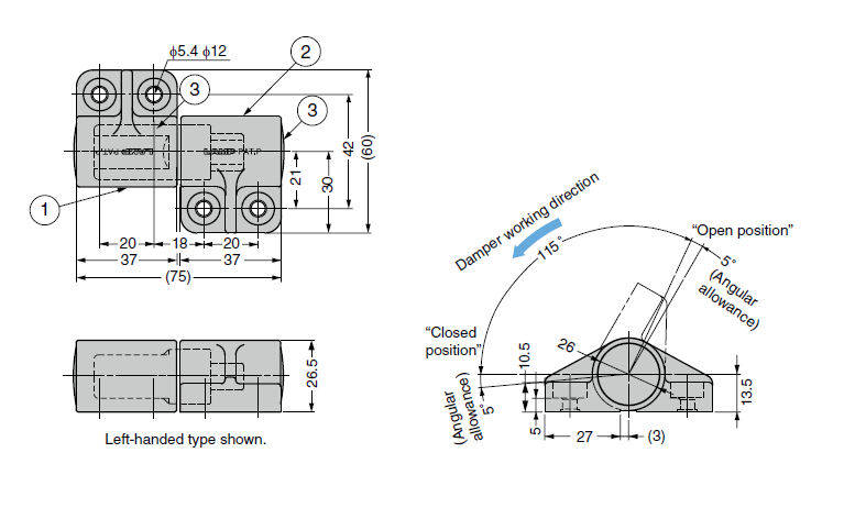
Hinge with damping manufactured in pbt plastic with a pin in stainless steel. The torque is 5 - 7 Nm/pair and the opening angel is 115 degrees. Special products can be delivered on request, if the standard range does not fit the requirements.
Pin material
Stainless steel
Material type
PBT plastic
Mounting type
Top mounting
Drejningsmoment i N.m
7
Height in mm
26.5
Length i mm
75
Opening angle
115
Long description
Hinge with damping manufactured in pbt plastic with a pin in stainless steel. The torque is 5 - 7 Nm/pair and the opening angel is 115 degrees. Special products can be delivered on request, if the standard range does not fit the requirements.

Product data

or create an account to view prices, download datasheets and CAD files *

Create account

*not available on all products